このページの本文へ

AVEVA Historian Client

AVEVA Historian 必携の専用クライアント

特別な開発作業は不要。インストールするだけですぐに使い始められます。
SQLの知識がなくても、AVEVA Historian のデータを簡単に閲覧・分析できます。

システムの概要

AVEVA Historian Client の位置づけ
AVEVA Historian Clientの位置づけ

AVEVA Historian Cleint(アヴィバヒストリアンクライアント)は多機能のソフトウェアツールおよびクライアントアプリケーション群で、AVEVA Historianに保存されたデータを現場の"カイゼン"に利用するため、様々な情報へ変換して表示できます。AVEVA Historian Clientを使用すれば、ネットワーク、イントラネットそしてインターネット上に情報を配布することができます。AVEVA Historian Clientは長時間のデータのトレンド解析、 Microsoft Excelを使用した数値解析、Microsoft Wordを使用した総合的なデータレポートの作成、企業情報ネットワークを使用した工場現場の履歴およびリアルタイムデータへの任意のアクセスを可能にします。

このような課題をお持ちのお客さまは、私たちに、ご相談ください

このような課題を解決

  • 蓄積した履歴データを手軽に有効活用したい。
  • ツールの教育やSQLの知識がなくても使える手軽なツールがほしい。

特長

インストールして、すぐに利用可能

特別な開発作業は不要です。AVEVA Historian Clientをインストールするだけで、すぐに AVEVA Historian Server へアクセスしてデータ活用を開始することができます。

AVEVA Historianの拡張SQLに対応

拡張SQLをマウス操作だけで作成してデータを検索できます。

Odata対応

オンプレミスだけでなく、クラウド上のAVEVA Historian(AVEVA Insight)へも接続できます。

ActiveX / .NET クライアント コントロールの提供

トレンドやクエリー機能を独自アプリケーションに組み込めます。

機能

工学単位の動的変換

工学単位の動的変換

例えば 摂氏°C ⇔ 華氏°F や センチメートル⇔インチなどの異なる単位体系、またはセンチメートル/メートル/キロメートル などの桁数による単位体系など、異なる工学単位での表示を動的に切り替えることができます。従来、そのような単位ごとに個別に必要だったタグ変数を集約できるようになるほか、グローバル化におけるシステムの海外展開においても共通のアプリケーションを利用できるなど、アプリケーション資産の効率化に役立てることができます。

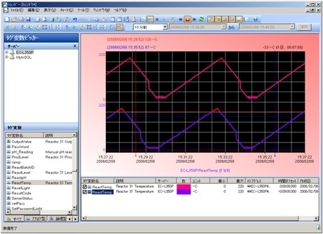
トレンド グラフ表示ツール

AVEVA Historian Client トレンド
  • タグを選ぶだけで簡単に表示
  • さまざまな分析機能を用意

    カーソル、多重時間軸、ターゲット領域、XY 散布図表示など

SQL自動作成ツール

AVEVA Historian Client クエリー
  • マウス操作だけでSQLを作成
  • 作成されたSQLを発行してすぐに検索結果を取得

Microsoft Excel アドオン

AVEVA Historian Client ワークブック
  • 使い慣れたExcelの操作性を流用
  • ウィザード形式で簡単にHistorianのデータを取得
  • Excelの機能で自由にデータを加工

稼働環境・ご購入について・サポート

OS対応表/データベース対応表/推奨ハードウェア環境

ご購入について

サポート

AVEVA製品のFAQやパッチを公開しています。

関連製品・オプション

FA導入のご相談・お問い合わせ

キヤノンITソリューションズ株式会社(製造・流通ソリューション事業部門) 製造ソリューション事業部